いろいろ...
×
[PR]上記の広告は3ヶ月以上新規記事投稿のないブログに表示されています。新しい記事を書く事で広告が消えます。
100均 AMラジオ を改造して 自作タイムグラファー用 ピックアップ を作った。
時計を置いて測定。
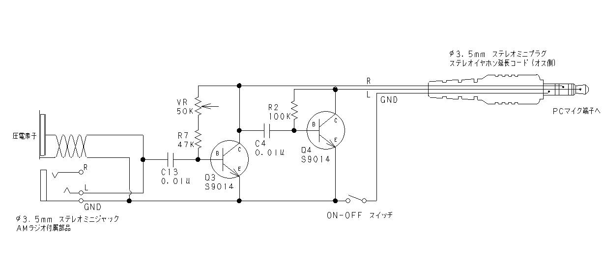
内蔵アンプ改造回路図
基板改造図
実配線図
振動検出部
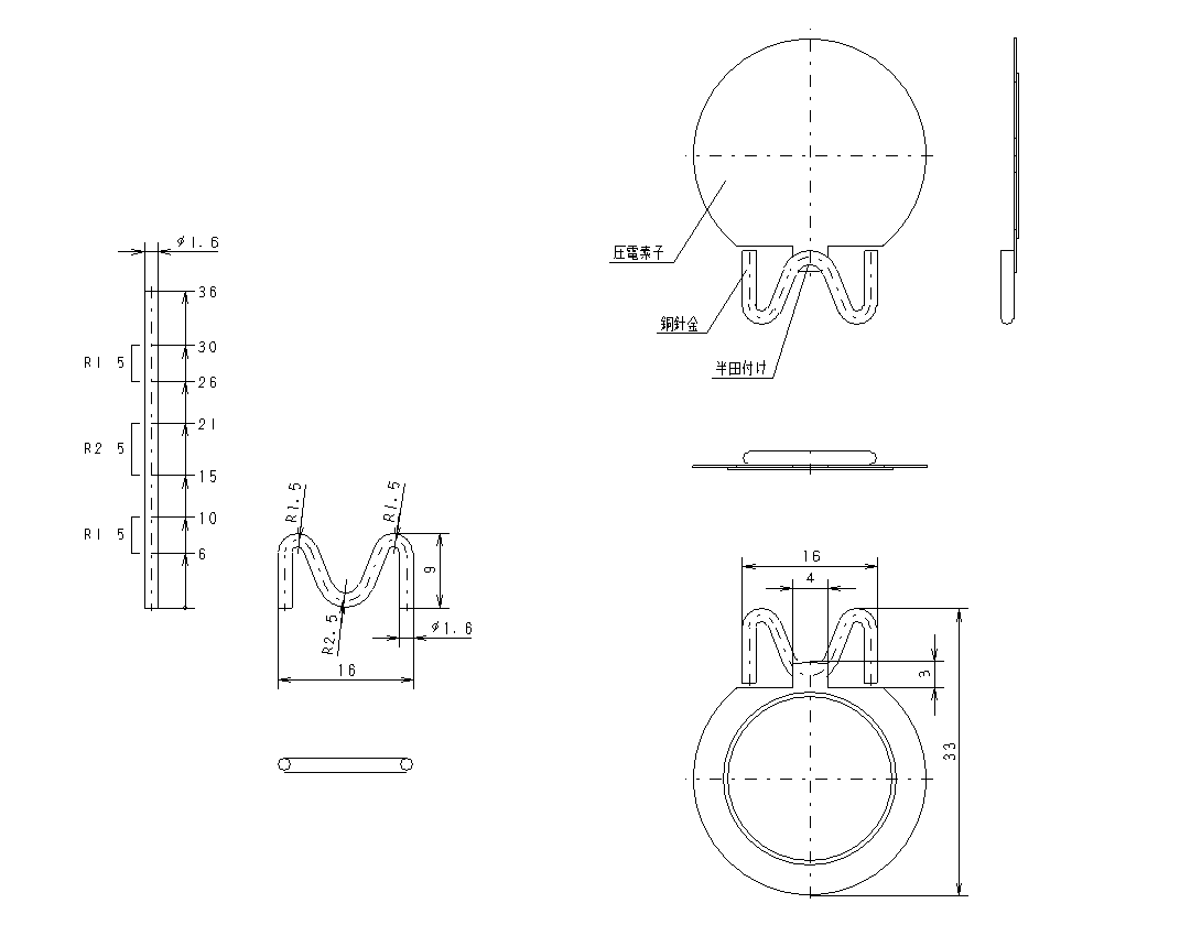
振動検出部組立図
ケース内部
測定時
画像手前の2つの穴はこの形になる前の振動検出用銅針金を通すもので、このピックアップでは使用していない。
受信周波数を表示する板の表面にはアルミテープを貼っている。
ケースの塗装は全て剥がして、微粒子研磨剤(歯磨き)で磨いた。
「びぶ朗」 での測定結果
「ボリュームあっぷ」改造その3アンプ パルスモード
「ボリュームあっぷ」改造その3アンプ 生音モード
MIC端子直接(内蔵アンプのみ)
システム構成
PR

