いろいろ...
×
[PR]上記の広告は3ヶ月以上新規記事投稿のないブログに表示されています。新しい記事を書く事で広告が消えます。
自作 タイムグラファー ピックアップ の振動検出部をちょっと変更。
基本的には自作ピックアップレシピ3 と同じ。
振動検出用銅板 には 銅の針金(Φ1.6mm) を使用。
針金 を2回巻いて 半田付け。
針金加工図



図面と実際の画像は 巻き始め がちがっている。 画像は 試作時の画像 だが作り方は同じ。
某ゲーム機の空箱に 圧電素子 と 銅板 を セロテープ で 仮止めして 30Wの半田こて で半田付け。


振動検出部 組立図

振動検出部 を ボックスホルダ に取り付けたところ

振動検出部 の取り付けは ホットボンド で3点止め。
ボックスホルダ変更図


その他の部品図



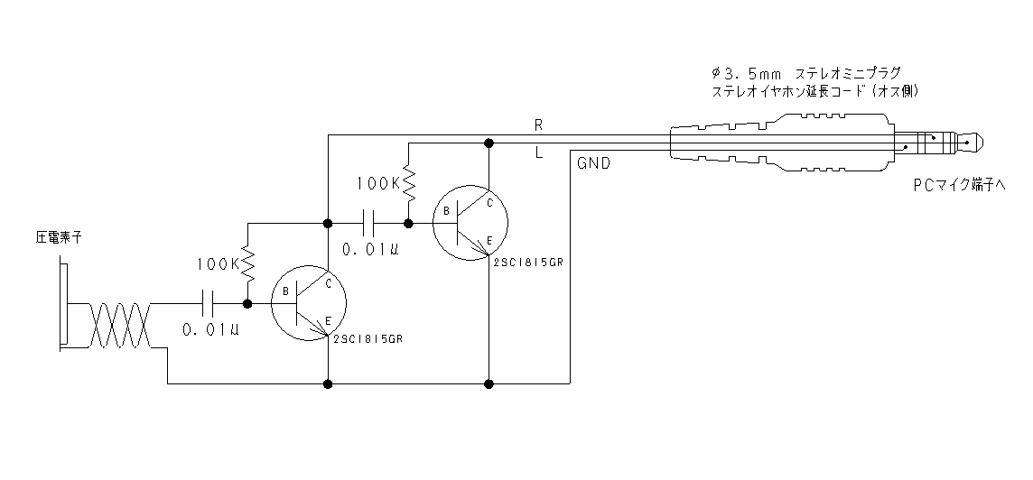
内蔵アンプ回路図(レシピ3と同じ)

実配線図

組立図

外観画像


性能的には レシピ3 とほぼ同じ。
振動検出用の 銅板 に 竜頭 を入れることができるので 竜頭側 で 測定 が可能。
針金 は 銅 を使用しているが 真鍮 でも可。
基本的には自作ピックアップレシピ3 と同じ。
振動検出用銅板 には 銅の針金(Φ1.6mm) を使用。
針金 を2回巻いて 半田付け。
針金加工図
図面と実際の画像は 巻き始め がちがっている。 画像は 試作時の画像 だが作り方は同じ。
某ゲーム機の空箱に 圧電素子 と 銅板 を セロテープ で 仮止めして 30Wの半田こて で半田付け。
振動検出部 組立図
振動検出部 を ボックスホルダ に取り付けたところ
振動検出部 の取り付けは ホットボンド で3点止め。
ボックスホルダ変更図
その他の部品図
内蔵アンプ回路図(レシピ3と同じ)
実配線図
組立図
外観画像
性能的には レシピ3 とほぼ同じ。
振動検出用の 銅板 に 竜頭 を入れることができるので 竜頭側 で 測定 が可能。
針金 は 銅 を使用しているが 真鍮 でも可。
PR

