忍者ブログ
いろいろ...
2026-031 2 3 4 5 6 7 8 9 10 11 12 13 14 15 16 17 18 19 20 21 22 23 24 25 26 27 28 29 30 31 prev 02 next 04
1  2  3  4  5 
×

[PR]上記の広告は3ヶ月以上新規記事投稿のないブログに表示されています。新しい記事を書く事で広告が消えます。

機械式腕時計用のワインダーを購入した。

ピックアップを内蔵してみた。

winder5.JPG








winder1.JPG









winder2.JPG











winder3.JPG

 










winder4.JPG








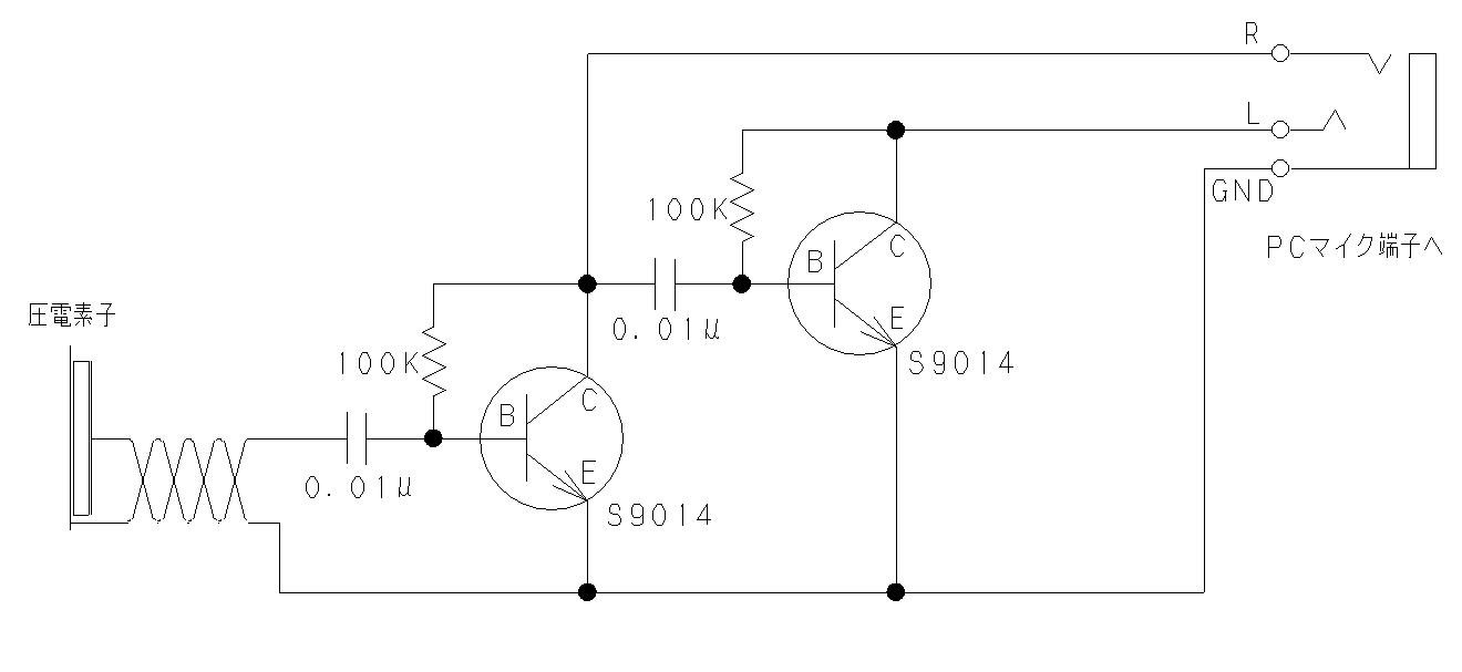
回路図

d824b42a.jpeg





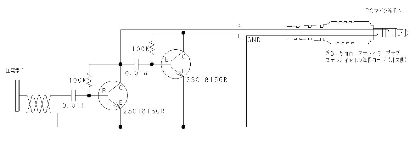
アンプ基板配線図

259eb901.jpeg






「びぶ朗」 測定結果

b8c37f92.jpeg






停止中にプラグを挿し込み測定する様に作ったが、一度時計を外さないとプラグが挿し込めない。

回転中(巻き上げ中)はモーター等の音で測定不能。

内蔵アンプのトランジスタ(S9014)とコンデンサ(0.01μF)は防犯ブザーから取り出したもの。

PR

ノートパソコン内蔵のマイクでskypeをすると、マイクブースト+20dB ボリューム最大にしても感度が低く、相手にこちらの声が伝わり難い。

マイクに向かって話せばそこそこの感度ではあるが、せっかくのハンズフリーが台無し。

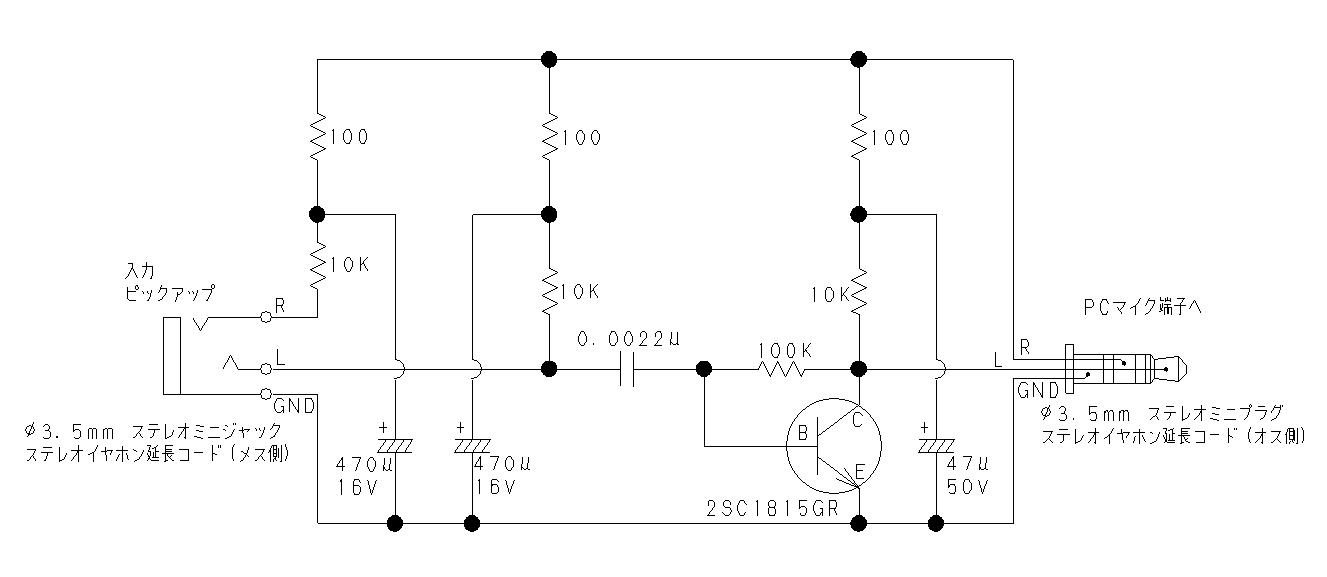
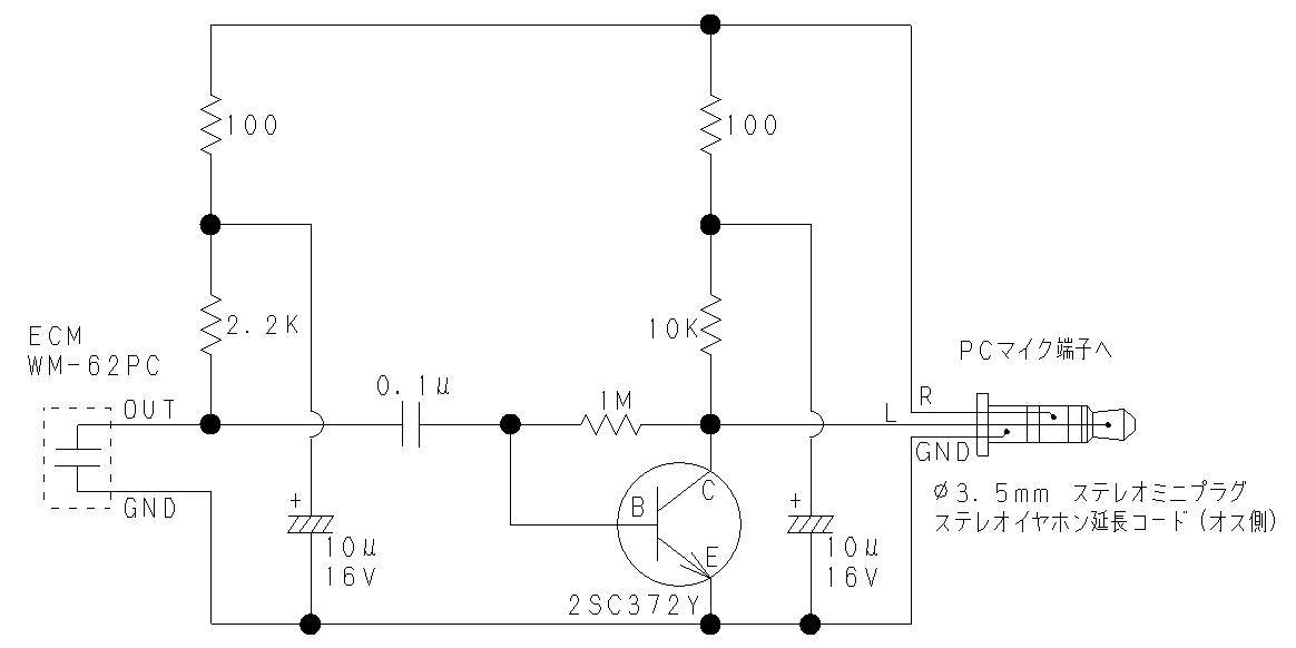
そこで、プラグインパワーを使った1石のアンプを内蔵したマイクを作った。

9c96e90b.jpeg









65187a21.jpeg








回路図
a529837b.jpeg





配線図

e7a23b4c.jpeg











f1f32210.jpeg











54d03afa.jpeg











手前味噌だが、なかなか良い。

プラグインパワーはノイズが大きいパソコンがある。 hpは比較的大きいと思われる。

パソコンのプラグインパワーをそのまま使うのではなく、CRで平滑し、マイクカプセル(ECM)のインピーダンスに合わせたプルアップ抵抗にしている。

コンデンサ・マイクは パナソニックの小型エレクトレット・コンデンサー・マイクロホン WM-62PC

秋月電子で 4個100円


トランジスタはNPNでYかOならば何でも良い 消費電流は計算していないが 0.3mA 程度なので小信号用で十分。

その他の部品も適当(それなりに近い値)でも可と思われる。


ピックアップを リニューアル。

組立図

f40aa545.jpeg









DVC00007.JPG










1deb86b3.jpeg









ユニバーサル基板を真鍮針金で Ⅱに半田付けし、真鍮針金で作ったばねでムーブメントを押える。

ムーブメントホルダ

1373a1bf.jpeg






ca0c4b08.jpeg









ばね は 直径5mm の 鉛筆 に 真鍮針金( Φ0.9mm 長さ195mm ) を 巻いて つくる。

約9回程 針金を巻きつけ た後、 一度 全長3cm 程度まで 引き延ばしてから 押しつぶす と全長約16mmになる。



ボックスホルダ追加工図

45c19d6e.jpeg






a94f5466.jpeg







振動検出板を 銅針金1本 に変更。

振動検出板は真鍮製針金でも可。(半田付けできれば何でも可だが 鉄系だと帯磁する可能性があるので消磁が必要)

振動検出部

7366ebce.jpeg







振動検出板

99d29cd6.jpeg







圧電素子は100均の防犯ブザーから取り出したのもを使用。

取り出す際にセラミックス部分が振動板(ブリキ板?)と剥離しない様注意が必要。

剥離すると発電効率が下がるため 感度が下がる。


圧電素子カバー

216fc7fd.jpeg









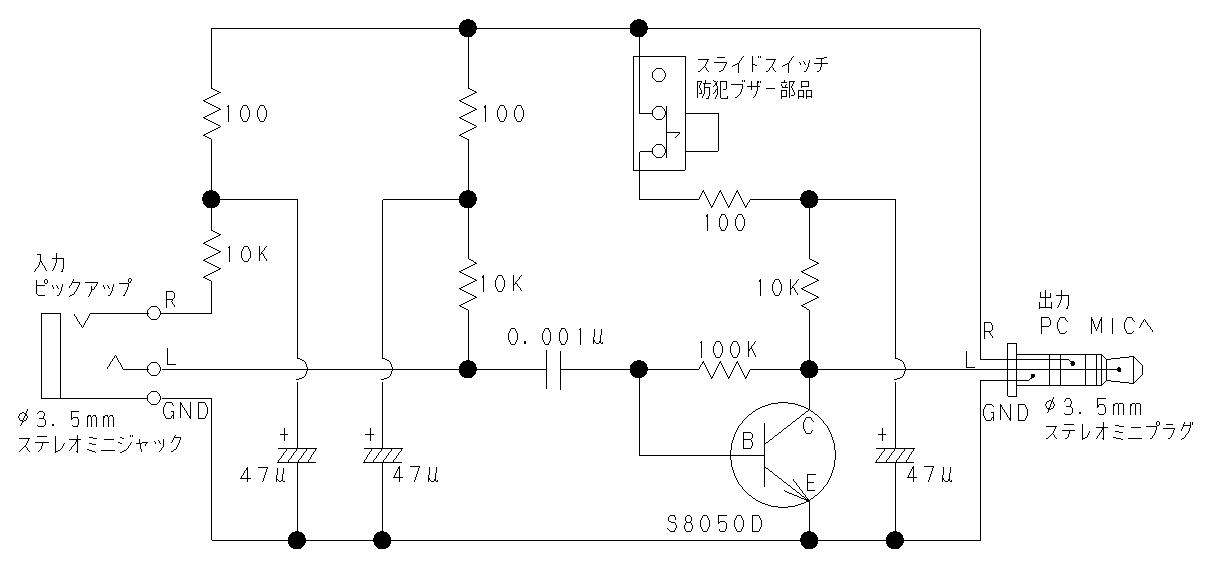
 内蔵アンプは従来通り。

回路図

8bcb3f15.jpeg




配線図

2SC1815GR
cfbe8738.jpeg





S8050D
1c58ec00.jpeg






S8050Dは防犯ブザーから取り出したトランジスタ

3a60f48b.jpeg 






c472e229.jpeg






トランジスタ以外に 防犯ブザーのコンデンサ も使用できる。 抵抗も若干定数(150KΩ)がちがうが使用できる。

「びぶ朗」 測定結果 DELL Inspiron 1545 WindowsVista HomePremium

0ff41007.jpeg






「びぶ朗」 測定結果 Dell OptiPlex 320SDT WindowsXP Professional

a01feece.jpeg






「びぶ朗」 測定結果 hp Compaq Business Desktop dc5100SF WindowsXP Professional

3b54f89d.jpeg






3290f98a.jpeg







延長コードをぐるぐる巻にするとノイズが減る時がある。


IBM PC にはマイクアンプが必要。

回路図

782321df.jpeg




配線図

254b4b76.jpeg







ac018e99.jpeg








DVC00006.JPG






消費電流 約0.61mA

電解コンデンサーは 47μF 以上であれば問題はなさそう。

耐圧は10V以上。

「びぶ朗」 測定結果 IBM NetVista M42 Slim WindowsXP Professional

60503af1.jpeg





ネットで調べて判った事

MIC端子には色々なパターンがある様子。

7157cdc7.jpeg








上図の 1 は プラグインパワー非対応 のモノラル 5 はステレオ で これらの方式はPC には実際には 無い と思われる。

4 が私が今まで使用していた PC の方式で 
ピックアップ(内蔵アンプ) のみで 「びぶ朗」 が使えた。

最近購入した DELLとhp も 4

IBM は 2 で、
プラグインパワーでアンプ  を PC と ピックアップ の間に追加すれば 「びぶ朗」  が使えた。

3 は
USBオーディオ変換ケーブル ( HAMU02 ) で、プラグインパワーでアンプ  の PC MIC側 の L と R を入れ換えれば使用できる...と思われる。

ちなみに
内蔵アンプ プラグインパワーでアンプ の 1段あたりの電流は 約 0.2mA なので 3段でも 0.6mA 程度 ( 計算が正しければ... )

最近 SEIKO5 の姿勢差が大きい

「びぶ朗」測定結果
文字盤上

7e53cc6b.jpeg





文字盤下
2b21dce2.jpeg






愛用の SEIKO5 もくたびれてきたのか?


それとは別に インラインアンプ 風に アンプ 製作

回路は
プラグインパワーでアンプ と同じだが 電解コンデンサーの 220μF が なかった ので 47μF  に変更

ジャックをプラグ(ステレオイヤホン延長コードのオス側)に変更

DVC00002.JPG DVC00001.JPG


DVC00003.JPG









回路図
877558f6.jpeg




配線図
eb6e9ed5.jpeg






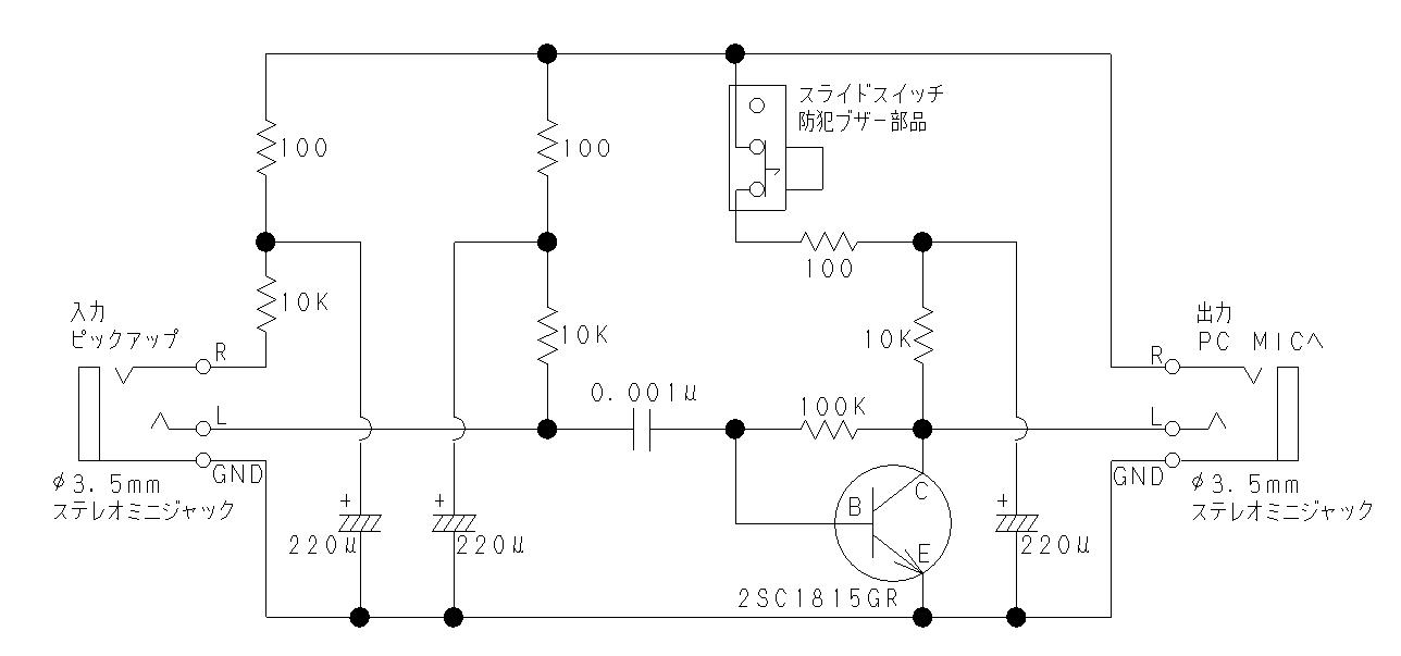
IBM PC ではゲインが低いので 3段目アンプを追加

回路図
aec7625d.jpeg




配線図
2SC1815GR
ead5bbd1.jpeg





S8050D ( 防犯ブザー から取り出した トランジスタ )
fd8dfb0c.jpeg





a8c80511.jpeg







6d9195dd.jpeg







上下 2SC1815GR    中央 S8050D

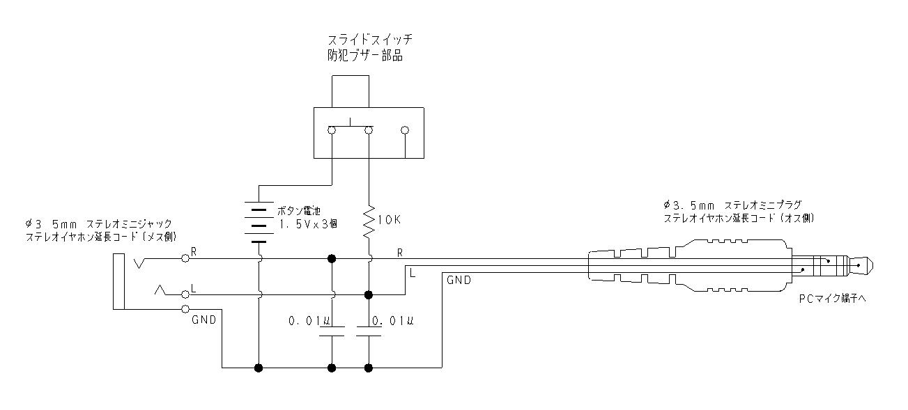
スライドスイッチ は Rch のみ電源供給 と Rch Lch 電源供給 の切り換え用で、

 3段目アンプの電源を Rch or Lch に切り換える


「びぶ朗」 での測定結果
MICブースト オフ
9abbe8cc.jpeg





ピックアップは
ピックアップレシピ4


これで電池いらずのアンプ完成

ネットオークションでパソコンを5台も落札してしまった。 安かったもので...つい

DELL  1台
hp        2台
IBM    2台

それぞれの MIC端子 の電圧を測ってみた。

IBMだけ Lch の電圧がかかっていない。

ピックアップ の 内蔵アンプ は Rch Lch の プラグインパワー を利用している。

IBMのパソコンでは、
ピックアップ だけで 「びぶ朗」 が使えない。

そこで、強引に Lch の電源供給

防犯ブザー の ボタン電池 を利用

抵抗10KΩ 1個  コンデンサ 0.01μF 2個 を 防犯ブザー の基板に半田付け

回路図
e51acb30.jpeg





さっそく測定してみたが... アンプを追加した方がよさそう...

ゲインが低すぎて... ノイズが多い...  とっても大変...

MICブースト ON    MICボリューム最大 でも極めて低い

「びぶ朗」 のシグナルモニターを拡大表示

はじめに時計をはずしてノイズレベル調整

dc602acb.jpeg









続いて時計をセットして しきい値 調整

adbbc76c.jpeg









「びぶ朗」 を再起動して測定

IBM NetVista M42 Slim P4 1.8GHz WindowsXP Pro
38d159ab.jpeg






比較のため 同じ時計、ピックアップ を DELL Inspiron 1545 WindowsVista HomePremium で測定

調整
2b7dc378.jpeg









測定
0f891039.jpeg






IBM てごわい....

PS この記事を書いていて気がついたのだが、IBMとDELLで日差がちがっていた。 DELLのパソコンは時間軸のキャリブレーション(時報)したがIBMのパソコンはやっていない。 キャリブレーションするとIBMのパソコンは+8秒程度誤差がでる様子。 ちょうど日差分の誤差。 これほど誤差があるサウンドカードは初めてだ....

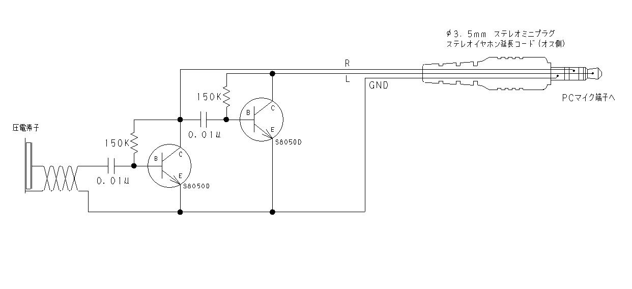
100均で売られている 鴨居フック を使って ピックアップ を作った。

フック部分をニッパで切り落とし、紙ヤスリで平らにし、はみがき粉で磨いている。

銅針金をU字に曲げ圧電素子に半田付け。

鴨居フックに直径3mmの穴を2箇所あけ 銅針金を通し 圧電素子をホットボンドで固定している。

内蔵アンプは防犯ブザー2台から取った トランジスタ(S8050D) コンデンサ(103=0.01μF) 抵抗(150kΩ) を使い、基板も防犯ブザーの基板を切り出し 穴あけしたもの。

DVC00008.JPG





時計を押さえるところは、リューズ があたらないよう削っている。

DVC00014.JPG






DVC00013.JPG






DVC00010.JPG






DVC00011.JPG






内蔵アンプ 回路図と実配線図
4ffc1419.jpeg




5391c6db.jpeg







防犯ブザーから取り出した部品
DVC00026.JPG






びぶ朗での測定結果
aa4e88a9.jpeg






パソコン(Dell Inspiron 1545 Windows Vista HomePremium)のマイク端子に直接接続

マイクブースト 10dB マイクボリューム 75%程度

373d518d.jpeg






DVC00004.JPG










携帯のカメラって シャッター音が鳴ってから画像を取り込むようだ。

びぶ朗のグラフに撮影時のシャッター音が出ている。
簡易タイムメータ LED点滅モード

LEDがナイトライダ風に 刻音 にあわせて行ったり来たりする

測定中 の演出のつもり

京セラの水晶モジュール KTX0-18S-03A-4( 12.8MHz ) を使って タイムメータ を作った。

このモジュール秋月で200円で販売されている。

精度は 100万分の1? との事。

月差で 2.6秒 以下。

AT90S1200 の
ソフト も変更。

1カウント 17ステップ を 18ステップ に増やし、測定回数18回( 18刻音分 )で歩度、片振り時間、振動数を表示 に変更。

きっかけは
びぶ朗 V2.0.2.6

2刻音で歩度等を表示する機能を追加されたとの事。

以前のタイムメータと同じように表示が変動する。

SEIKO5( 持っている時計で一番変動が少ない...はず )でもかなり変動するようだ。

それで、タイムメータ も18回測定して平均で表示するように変更。

劇的に安定して表示した。

びぶ朗 とほぼ同じ表示。

ただ、片振り時間が倍に表示していたが私の考え方が違っていたようだ。

片振り時間も
びぶ朗 と同じに変更( 単純に1/2にした )。

18回分の測定データもLEDで表示できるよう追加した。

基板も再製作。

製作した基板の回路図

50ea0d57.gif






実配線図
 
PCB1.gif
    
PCB2.gif


製作過程 ( 超我流 )

部品面に裸線と被覆線のジャンパー線を最初にする。

01.jpg








部品を小さい順に半田付けするが半田面の配線はしない。


02.jpg    03.jpg


全ての部品を半田付け後に半田面の配線をする。

04.jpg    05.jpg

一筆書きの要領で線材を半田付けするが、先頭の1箇所を除き全て半田吸い取り器で半田を一度取り除く。

線材を先頭に半田を溶かしながら半田の球に差し込み、線材を引き回した後最後の1箇所を半田付けする。

線材がランド( 銅箔 )の中央を通るように細いドライバー等で修正しその後半田付けする。

線材を細いドライバーで押さえながら半田付けすると線材が浮き上がらない。

部品は2箇所以上で半田付けされているので1箇所半田を取ってもズレる事はない。

安い基板だと半田を吸い取り器 ( ダイソーで200円で購入 )で吸い取るときにランドまでとれることがある。

06.jpg    07.jpg


08.jpg










SEIKO5 を ピックアップレシピ4 で測定 ( びぶ朗

アナログ
949a2b20.jpeg






パルス
d4e2e264.jpeg






キャリブレーション用 1秒パルス
6a6f6c65.jpeg







カウンター
カレンダー
02 2026/03 04
S M T W T F S
1 2 3 4 5 6 7
8 9 10 11 12 13 14
15 16 17 18 19 20 21
22 23 24 25 26 27 28
29 30 31
最新トラックバック
最新コメント
無題(返信済)
(05/02)
(08/13)
プロフィール
HN:
sho
性別:
男性
ブログ内検索
バーコード
アクセス解析
"sho" WROTE ALL ARTICLES.
PRODUCED BY SHINOBI.JP @ SAMURAI FACTORY INC.
忍者ブログ [PR]