忍者ブログ
いろいろ...
2026-031 2 3 4 5 6 7 8 9 10 11 12 13 14 15 16 17 18 19 20 21 22 23 24 25 26 27 28 29 30 31 prev 02 next 04
1  2  3  4  5 
×

[PR]上記の広告は3ヶ月以上新規記事投稿のないブログに表示されています。新しい記事を書く事で広告が消えます。

クオーツ時計を測定してみた。
AVENUE01.JPG

 

 

 

AVENUE02.JPG




1振動
「びぶ朗」のグラフはやはり信頼できる。
600秒表示で歩度調整したSEIKO5は1週間で+10秒以内で収まっている。

ピックアップの圧電素子に時計の竜頭を押し当てるためのスポンジを変えてみたが大きな差はなかった。
ただ、押し当てる力は小さい方が音は大きい。
圧電素子とアンプ間のケーブルを同軸に変更。 ノイズは低減されたが2/3程度だった。
パソコン付属マイクの同軸ケーブルだと1/3以下になったのだが...

PR

最新はピックアップレシピ5


ピックアップ
100円ショップでタイムグラファーのピックアップを作った。
防犯ブザー x1
イヤホン延長ケーブル x2
アルミホイル用BOXホルダ x1
ペットボトルの蓋 x1
トランジスタ、抵抗、コンデンサ、基板等

合計 600円程度

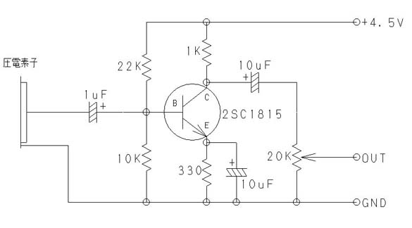
アンプの回路図と防犯ブザーに入れた実配線図
電源(+4.5V)は防犯ブザー付属ボタン電池

 93cea514jpeg
c31c33ffgif






ソフトタイムグラファ
「びぶ朗」での測定画面

bd72c9a7jpeg




 ノイズが高めだが圧電素子とアンプ間のケーブルを同軸にすると2/3以下になる。

カウンター
カレンダー
02 2026/03 04
S M T W T F S
1 2 3 4 5 6 7
8 9 10 11 12 13 14
15 16 17 18 19 20 21
22 23 24 25 26 27 28
29 30 31
最新トラックバック
最新コメント
無題(返信済)
(05/02)
(08/13)
プロフィール
HN:
sho
性別:
男性
ブログ内検索
バーコード
アクセス解析
"sho" WROTE ALL ARTICLES.
PRODUCED BY SHINOBI.JP @ SAMURAI FACTORY INC.
忍者ブログ [PR]